0-10V 调光 LED 三防灯如何布线及优缺点
郎特照明0 - 10V 调光 LED 三防灯的布线方式较为复杂,且这种灯具有调光性能好、兼容性强等优点,但也存在成本高、布线复杂等缺点。以下是详细介绍:
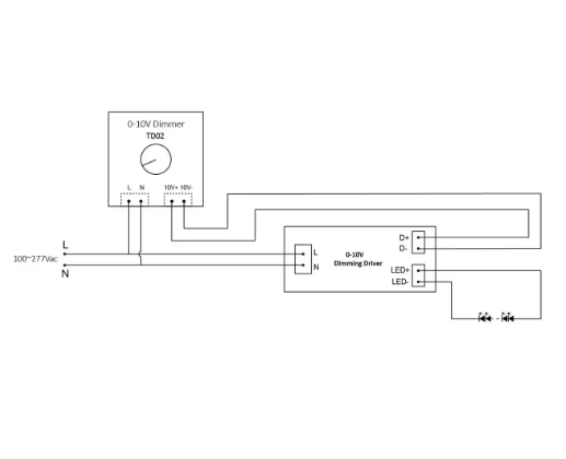
电源布线:为灯具提供稳定的电源输入,通常采用两根线连接电源与灯具的电源输入端,确保电压符合灯具要求,一般为直流 24V 或其他特定电压。
调光控制线布线:使用一根或多根屏蔽线作为 0 - 10V 调光控制线。将调光控制器的 0 - 10V 输出端与 LED 三防灯的调光控制输入端连接,以传输调光控制信号。如果有多盏灯具需要同步调光,可将调光控制线并联连接到每一盏灯具的调光控制端,但要注意线路长度和信号衰减问题。
接地线布线:为确保安全,需连接一根专用的接地线。将灯具的接地端与接地系统可靠连接,接地电阻应符合相关安全标准要求,一般不大于 4 欧姆。

优点
精确调光:0 - 10V 调光信号能够实现对 LED 三防灯的精确亮度调节,可以根据不同的环境需求和场景,将灯光亮度调整到合适的水平,满足各种照明需求。
线性调光:具有良好的线性调光特性,即调光信号与灯具亮度呈线性关系,能够提供平滑、自然的调光效果,避免出现亮度突变或闪烁现象,保护眼睛,提高视觉舒适度。
兼容性强:0 - 10V 调光标准是一种被广泛接受的工业标准,与各种调光控制器、传感器和照明控制系统具有良好的兼容性,可以方便地集成到不同的智能照明系统中,实现智能化的照明控制和管理。
可靠性高:采用电压信号传输调光指令,抗干扰能力较强,能够在恶劣的工业环境中稳定工作,减少因信号干扰导致的调光不稳定或灯具故障问题,提高照明系统的可靠性和稳定性。

缺点
布线复杂:需要专门的调光控制线,布线成本和难度较高。在一些复杂的照明系统中,可能需要铺设大量的线缆,增加了施工工作量和成本,同时也可能影响建筑物的美观度。
成本较高:0 - 10V 调光 LED 三防灯本身以及配套的调光控制器等设备价格相对较高,增加了整个照明系统的采购成本。此外,由于布线复杂,后期的维护成本也可能较高。
信号传输距离有限:0 - 10V 调光信号在传输过程中会有一定的衰减,因此信号传输距离受到限制。一般来说,传输距离不宜超过 1000 米,否则可能会出现调光精度下降或信号不稳定的情况。在大型工业场所或长距离照明系统中,可能需要使用信号放大器等设备来延长信号传输距离,这又会进一步增加成本和系统复杂性。